◆ 主要用途和适用范围
QHD(C)-12R型中置固封式真空接触器-熔断器组合电器(以下简称组合电器)是根据特别的设计概念并结合市场需求而研发的新三相交流50Hz,额定电压为3.6-12kV的户内开关设备。 该产品用于需要多次分、合闸操作的场合,可满足用户频繁操作的要求,具有寿命长、运行稳定、功能合理等优点。它适用于650mm、800mm宽的中置开关柜,可与VD4的开关柜配合,也可与KYN28型开关柜配合。它符合GB/T14808-2001交流高压接触器和基于接触器的电动机启动器、GB/T11022—1999高压开关设备和控制设备标准的共同技术条件等标准的规定。产品应用于冶金、石化、矿山等工矿企业。
◆ 使用环境
a.环境温度不高于+40℃,不低于-lO℃允许在-30℃时储运)
b.海拔高度不超过1500m。
c.相对湿度:日平均不大于95%,月平均值不大于90%,饱和蒸汽压日平均值不大于 2.2 x 10_3Mpa 月平均值不大于 1.8 x 10_3MPa。
d.地震烈度不超过8度。
e.没有火灾,爆炸危险,严重污秽,化学腐蚀以及剧烈震动的场所。
◆ 产品外形尺寸图

◆ 主要规格及技术参数

◆ 结构特点
♦ 一次结构
QHD(C)-12R型系列组合电器通过“固封柱”方式,把限流熔断器和真空灭弧室有机地结合在 一起,构成一个串联回路,由接触器本体(真空灭弧室)承担关合和开断各种负荷电流,由限 流熔断器承担短路电流的开断。
♦总体结构
组合电器把柱与操动机构合理布置成一体的形式,使传动环节简化,机构的输出特性更 吻合真空开关要求的负载特性,降低了能耗,提高了机械可靠性。
组合电器三相柱是通过自动压力凝胶工艺(APG)形成,柱结构避免了粉尘,湿度对 真空灭弧室外绝缘的影响,并减少了灭弧室外壳的污染,提高了可靠性。
♦操动机构
操动机构采用的是电磁式操作机构,通过对该机构磁场的精密设计、优化励磁回路,使组 合电器具有合闸可靠,电保持线圈长期运行功耗低等特点。
♦装配及维修
组合电器采用固封型式,且操动机构非常得稳定、可靠,所以装配和维修都相对省时。
◆ 工作原理
♦合闸及保持线圈未通电
在分闸弹簧的作用力下,通过机械方式使真空灭弧室触头拉开适当开距,组合电器处于分闸位置。
♦合闸并保持
组合电器合闸回路通电后,合闸线圈和保持线圈同时动作并吸合驱动臂上的铁块,通过主轴转动传力到绝缘拉杆并使灭弧室的触头闭合。驱动臂吸合后辅助开关切换使合闸线圈断电,但保持线圈继续通电使组合电器保持在合闸状态。
♦分闸
保持线圈失电,线圈吸合力消失,此时分闸弹簧释放能量驱动主轴转动使组合电器保持在分位,从而实现分闸操作。
♦熔断器更换
当熔断器熔断时,组合电器分闸,熔断器指示开关发出熔断指示。需要更换熔管时,请把手车移出柜体打开组合电器的面板,解开锁扣1,把熔丝罩2用力拉出即可(见图二)。

取出已熔断的熔断器,把新熔断器的带撞针一头插入熔丝罩的熔管夹内,熔断器3不带撞针 一头套上导向套4按图三所示放进熔丝筒5内,慢慢推入直到有一定阻力时用力推到位并扣上锁 扣。后盖上面板拧上螺丝即可正常使用。

♦熔断器外形尺寸
熔断器应选用适合保护电动机的熔断器,其型号为XRNM1型,外形尺寸见图四。

◆ 防误连锁
a.组合电器在未到试验位置或工作位置时,合闸回路断开,不允许合闸操作。
b.组合电器在工作位置或试验位置合闸后,手车将无法移动,防止在合闸状态拉出或推进负荷区。
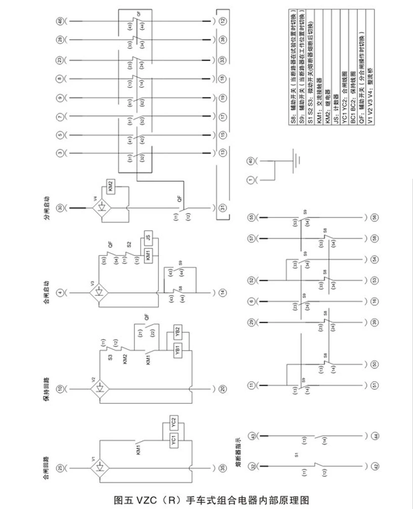
◆ 组合电器内部接线原理图
